1.4.4. Les opérations sur les mémoires associatives
Comme toutes les mémoires conventionnelles, il est possible de faire les opérations de lecture et d’écriture en mémoire associative, cependant ces opérations de de lecture et d’écriture sont toujours précédées de l’opération de recherche.
a-) Opération de recherche

Figure 1.15. Opération de recherche dabs une mémoire associative
1- Positionner tous les bits de registre I à ‘1’ en activant la commande SET.
2- Placer l’information dans le champ taille du registre C (170 dans le champ taille).
3- Positionner à ‘1’ les bits correspondant au champ taille dans le registre M et les autres à ’0’ (00000…0111…1).
4- Activer la commande recherche.
Circuit de recherche : relation entre le registre clé et le registre masque
Selon C et M on positionne L1 et L0 puis on fait la recherche.
|
|
||||||||||||||||||||
|
Figure 1.16. Organisation des registres Clé et Masque |
|||||||||||||||||||||
Table de vérité
|
|
|
Effet |
|
|
|
0 |
0 |
Bit masqué |
X |
0 |
|
0 |
1 |
Recherche d’un ‘0’ |
0 |
0 |
|
0 |
1 |
Recherche d’un ‘0’ |
1 |
1 |
|
1 |
0 |
Recherche d’un ‘1’ |
1 |
0 |
|
1 |
0 |
Recherche d’un ‘1’ |
0 |
1 |

Figure 1.17. Organisation des cellules mémoire pour la recherche
b-) Opération de lecture
L’opération de lecture doit être toujours précédée d’une recherche et l’activation de la commande de lecture.

Figure 1.18. Organisation des cellules mémoire pour l’opération de lecture
c-) Opération d’écriture
L’opération d’écriture s’effectue sur tous les mots dont le bit de registre indicateur à 1. L’opération d’écriture doit être toujours précédée d’une recherche et l’activation de la commande d’écriture.

Figure 1.19. Organisation des cellules pour l’opération d’écriture
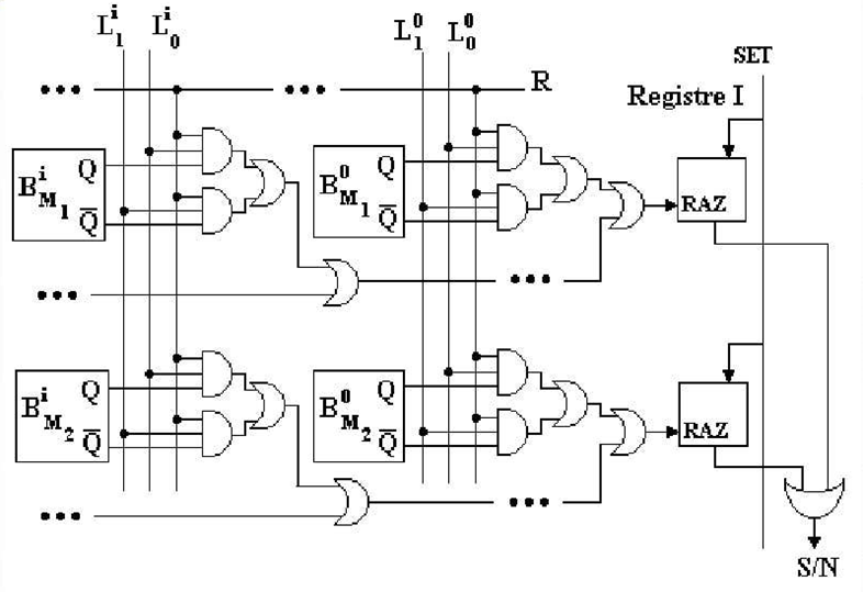
Sélection du premier répondeur
Le schéma proposé pour le dispositif de lecture peut présenter un inconvénient. En effet, suite à une opération de recherche, plusieurs mots peuvent répondre. Plusieurs bits du registre indicateur sont alors à « 1 ». Dans ce cas, l’opération de lecture délivre dans le registre de sortie le résultat du OU entre les mots sélectionnés. Si on désir traiter un seul mot, il est évident que le résultat de la lecture est erroné. On doit pouvoir sélectionner un seul répondeur à la fois. Pour cela une commande de Sélection/Inhibition force tous les indicateur à « 0 » à l’exception du celui du premier répondeur. Le traitement désiré peut alors effectué sur ce répondeur. Une bascule BT est associée à chaque mot. Lorsqu’elle est à « 1 », le bit correspondant dans le registre indicateur et forcé à « 0 ». La bascule est positionné à « 1 » dès que son répondeur est traité.
Plusieurs opérations de recherche sont nécessaires pour sélectionner successivement les autres répondeurs.
Le schéma présenté pour l’opération de lecture suppose qu’il y au plus un répondeur à la fois.

Figure 1.20. Circuit de sélection du premier répondeur
1. Commande Set est positionnent des bascules BT de tous les mots à « 0 ».
2. Positionnement des registres C et M.
3. Commande de recherche.
4. Si S/N = 0 aller à 8
5. Lecture du répondeur et positionnement son indicateur à « 1 ».
6. Commande Set
7. Aller à 3.
8. fin de l’opération.
